Main Classification of Centrifugal Pumps in Chemical Industrial Application
March 10, 2026
Centrifugal pumps are classified in various ways, mainly based on **structure, function and application scenarios**. The common classification methods and characteristics are as follows:
1. **By impeller suction mode**
- **Single-suction pump**: Liquid enters the impeller from one side; simple structure but prone to axial thrust.

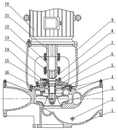
- **Double-suction pump**: Liquid enters the impeller from both sides simultaneously; large flow rate and balanced axial force, suitable for high-flow applications.

2. **By number of impellers**
- **Single-stage pump**: Only one impeller, relatively low head.

- **Multi-stage pump**: Multiple impellers in series, capable of delivering high head.

3. **By impeller structure**
- **Open impeller**: No shrouds; suitable for conveying liquids containing impurities (e.g., sewage).

- **Semi-open impeller**: Only a rear shroud; suitable for viscous or easily precipitated liquids.

- **Closed impeller**: Front and rear shrouds; used for clean liquids (e.g., clean water).

4. **By casing structure**
- **Volute casing**: Spiral-shaped casing; simple structure and high efficiency.

- **Diffuser (turbine) type**: With vanes at the impeller outlet; mostly used in high-head multi-stage pumps.

- **Segmental / axially split casing**: Casing is sectioned or split horizontally for easy maintenance.

5. **By shaft orientation**
- **Horizontal pump**: Shaft mounted horizontally; requires priming before operation.

- **Vertical pump**: Shaft arranged vertically; small footprint, and the impeller is often submerged.

6. **By working pressure**
- **Low-pressure pump**: < 100 m water column
- **Medium-pressure pump**: 100–650 m water column
- **High-pressure pump**: > 650 m water column
7. **By self-priming capability**
- **Conventional centrifugal pump**: Requires pre-filling with water.
- **Self-priming centrifugal pump**: No water filling needed; can suck automatically.
8. **By application**
Including clean water pumps, non-clog / sewage pumps, corrosion-resistant pumps, etc., selected according to the medium properties.
Each classification corresponds to different application scenarios. For example, double-suction pumps are suitable for large-flow water supply, multi-stage pumps for high-rise building pressurization, and closed impellers are commonly used for clean liquid delivery.